
Модуль тиристорний SKKT106/12E, SKKT106/16E Semikron
від 600 ₴
Показати оптові ціни- Готово до відправки
- Оптом і в роздріб
- +380 (66) 946-18-88
Semikron є, аналог Елемент-перетворювач МТТ4/3-100
Технічні характеристики тиристорного модуля SKKT106/12E:
Виробник: SEMIKRON
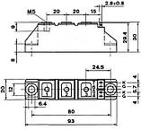
Корпус: SEMIPACK1-A
Артикул: SKKT106/16E
Струм: 115 Ампер
Напруга пікова: 1600 вольтів
Напруга робоче АС: 0-380 вольтів
Напруга керування тиристором: 2-5 Вольт DC
Струм керування: 300 мА
Напруга утримання: 1.65 Вольта DC
Робоча температура не більш ніж: 125С
Час увімкнення: 2 мкс
Час вимкнення: 100 мкс
Тиристорні модулі отримали найширше перенапруження в промисловій автоматиці. Прикладом такого застосування можна назвати пристрій плавного пуску двигуна або комутацію навантаження для увімкнення електротенів. Напівпровідники чудово розв'язують завдання вмикання навантаження з високою частотою. Слабкістю є: коротке замикання й кидки струму або напруги. Для вирішення цих неприємностей використовують плавкі вставки (запобіжники). Індуктивність, також може доставити масу неприємностей із якими варістор або пара командних діодів.
| Основні | |
|---|---|
| Вага | 200 г |
| Спосіб монтажу | Пайка |
| Країна виробник | Китай |
| Виробник | Semikron |
| Термін служби | 60000 годин |
| Тип тиристора | Тиристор, що замикається |
- Ціна: від 600 ₴
- Можливості поставок: 100 шт./місяць



